站内搜索
商品
资讯
首页
产品中心
成功案例
了解智开
公司新闻
联系我们
Luvata诺而达冷却器
ALFA冷却器
BETA冷却器
CETA冷却器
ABS(Sulzer)油泵
德国MESSKO安全组件
messko温度计
messko压力释放阀
messko油位计
messko瓦斯继电器
messko免维护呼吸器
意大利ETI/CEDASPE配件
CEDASPE蝶阀
CEDASPE呼吸器
胶囊破损探测器
ETI阀门
PALL滤油设备
PALL高真空滤油机
PALL真空机组
PALL在线滤油机
EMB继电器
EMB气体继电器
EMB取气盒
EMB油流继电器
EMB智能继电器
变压器在线监测
GE在线监测
已加入购物车!
购物车共
0
件商品,总计
¥
0.00
元
继续购物
查看购物车
我要结账
已加入购物车!
您当前的位置是:
首页
>>
ETI/CEDASPE配件
>>
CEDASPE蝶阀
>>
商品名称:
DN50蝶阀
商品详细介绍
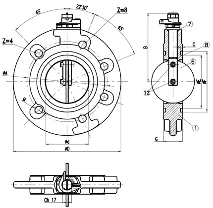
DN50蝶阀
DN系列圆型蝶阀
• 常规尺寸: 25;50;80 mm
• 法兰对夹式 - PN6,PN10
• 参考图纸:图号5.84
BUTTERFLY VALVE "DN50" TYPE
Series DN– large round flange
• Nominal diameter: 25;50;80 mm
• Execution wafer type for mounting between two flanges - PN6,PN10
• Reference drawing : page 5.84